Home > dc dc converter chopper > step down chopper

Step Down Chopper

Step down chopper for R load

Figure below shows the Circuit Diagram and  Waveform of resistive load step down chopper.

chopper2
• The thyristor in the circuit acts as a switch.
• When thyristor is ON, supply voltage appears across the load
• When thyristor is OFF, the voltage across the load will be zero.

The average output voltage is given as,

chopper3

Where, D is duty cycle = TON/T.
TON can be varied from 0 to T, so 0 ≤ D ≤ 1.

Hence output voltage VO can be varied from0 to VS.

Therefore effective input resistance is given by,

chopper4
so, we can conclude that output voltage is always less than the input voltage and hence the name step down chopper is justified. The output voltage and current waveform of step down chopper with resistive load is shown in above figure.
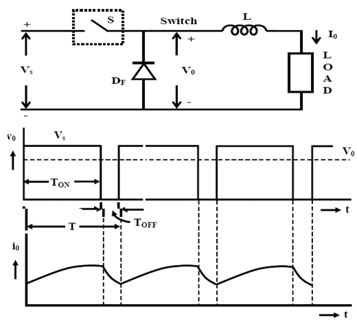
Step down chopper RL load

Figure below shows the Circuit Diagram and  Waveform of highly inductive load step down chopper.

chopper5

• A buck converter (dc-dc) is shown in above figure.
• a diode (termed as freewheeling) is used to allow the load current to flow through it, when the switch (i.e., a device) is turned off. The load is inductive (R-L) one.
• Also a diode (termed as freewheeling) is used to allow the load current to flow through it, when the switch (i.e., a device) is turned off. The load is inductive (R-L) one
• Due to the load inductance, the load current must be allowed a path, which is provided by the diode; otherwise, i.e., in the absence of the above diode, the high induced emf of the inductance, as the load current tends to decrease, may cause damage to the switching device. If the switching device used is a thyristor, this circuit is called as a step-down chopper, as the output voltage is normally lower than the input voltage.
• When chopper is ON, supply is connected across load. Current flows from supply to load.
• When chopper is OFF, load current continues to flow in the same direction through FWD due to energy stored in inductor‘L’.
• Load current can be continuous or discontinuous depending on the values of ‘L’ and duty cycle ‘d’ For a continuous current operation, load current varies between two limits Imax and Imin
• When current becomes equal to Imax the chopper is turned-off and it is turned-on when current reduces to Imin.
Average output Voltage is given by,

chopper6